NSK 65TMP12 Rodamientos
NSK 65TMP12 rodamientos detalles técnicos:
- Brand:
- NSK Bearing
- Category:
- Cylindrical Roller Bearings
- Model:
- 65TMP12
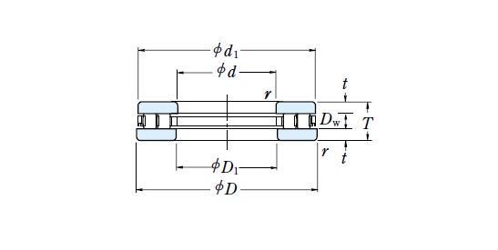
- d:
- 65 mm
- D:
- 100 mm
- B:
- 27 mm
- Cr:
- 110000 N
- C0r:
- 325000 N
- Grease RPM:
- 950 1/min
- Oil RPM:
- 2800 1/min
Shanghai allen bearing que trabajan para NSK 65TMP12 rodamientos muchos años, estamos trabajando para la acción. NSK 65TMP12 rodamientos está en stock ahora, otra, también tenemos otra marca de rodamientos. Por ejemplo, SKF, FAG, NSK, NTN, KOYO, NACHI, TIMKEN .....Hemos exportado rodamientos a muchos países como América, Europa, Medio Oriente, Asia, etc. Hemos establecido una larga relación de cooperación con nuestros clientes de todo el mundo, tenemos la mejor calidad y el precio más bajo razonable. Además, tenemos un corto plazo de entrega. Si desea comprar los rodamientos NSK 65TMP12 o solo necesita la hoja de datos, dibujos, etc., no dude en contactarnos. Te responderemos en poco tiempo. Estamos realmente para cumplir con todos sus requisitos. Cualquier consulta o pregunta sobre los rodamientos NSK 65TMP12 y más detalles sobre nuestros rodamientos NSK, por favor, contáctenos en: Correo electrónico
allenbearing@allen-bearing.com.
NSK 65TMP12 rodamientos Dibujo técnico:


